何かと電気工作をしていてテスト等で市販のリレー・アクチュエータ・ドライバを動かす際には12Vまたは24V電源が欲しい!というシチュエーションがあると思います。
そこで今回は簡単にできるDC12V/DC24V電源の作り方を紹介します
<<20180217追記>>
本格的にスイッチング電源でDC12V/DC24Vを作りたい場合も記事にしました。
よろしければこちらもご覧ください

MicroUSB等からの昇圧型DCDCモジュールの紹介
今回は「スマホの充電器のMicroUSB(5V)」or「単3乾電池×3本(4.5V)」から昇圧型DCDCモジュールで12V/24Vを作ります
※筆者は低圧DC⇒高圧DCに変換するということで「昇圧型DCDC」と書いていますが「DC-DC ブーストステップアップ」「昇圧コンバータ」など世間では色々な書かれ方があります。
今回使うのは昇圧型DCDCモジュールです。

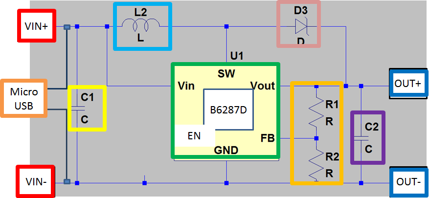
DCDC_ICを使って電圧を昇圧したい場合はシルク「U1」のICだけではなくインダクタンス・ダイオード・コンデンサ・FB抵抗が必ず必要となってきます。
今回のモジュールは昇圧に必要な部品はすべて載っていますので
入力電源さえ用意すれば簡単に12V/24Vが作れます。
下記が今回のモジュールのイメージ図ですが、この詳細に関しては次の記事で説明しています。


安く・簡単に購入可能
このモジュールはAMAZONなどで購入可能です。(筆者の型式は:Rasbee製 USBポート 2A DC-DC ブーストステップアップ 転換モジュール)
本当に安く・簡単に手に入ります。本当に最近の中国製ICはコストもですが品質含めてともに素晴らしいです
送られてきた梱包状態は下記の形です。黄色の小ぶりな袋にはいっていました

梱包物としては青枠の「昇圧型DCDCモジュール」のほかに出力コンデンサ用にか赤枠の「ルビコン製16V耐圧10uF(YXA)電界コンデンサ」まで入っていました。

この電界コンデンサに関してはとりあえずテストの際は放置しといてかまいません。
接続先がしっかり決まって出力電源を安定させたい場合につけましょう。

次の章から実際に配線・接続をしていきます
昇圧型DCDCモジュールに配線・接続してみる
早速昇圧型DCDCモジュールに接続していきます。前章にも記載しましたが、入力電源を接続するだけです
今回用意する入力電源は2種類です。入力電圧値が異なりますが同じ設定で出力電圧12V/24Vを出力できます。
(理由に関しても次回詳細を説明しますが、出力電圧値の計算式には
入力電圧は関係ないためです。モジュールの説明をみると2Vからでも昇圧できそうです)
スマートフォンの充電器(5V)からDC12V/DC24Vを作る
①「スマートフォンの充電器のMicroUSB(5V)」

接続はMicroUSBをそのままモジュールのコネクタ口にさせばOKです

測定用に出力の「OUT+」「OUT-」にワニ口からテスターにつなげます
全体構成としては下記のような形になります

乾電池3本(4.5V)からDC12V/DC24Vを作る
「単3乾電池×3本(約4.5V)」

単3乾電池×3本を直接接続はできないので下記のように電池BOXとワニ口クリップを使えば「VIN+」「OUT-」楽に接続できます

ワニ口クリップあると付け外しも楽なのでおススメです。
こちらも出力にワニ口クリップを付けてテスターで測定できるようにします

これで接続は終わりましたので次章からは出力電圧を設定していきます
可変抵抗で出力電圧を変えられる
出力電圧を設定するためには赤枠の可変抵抗のツマミを回して設定します

可変抵抗は100KΩです。おそらく有効回転数は25回転(?)で、1回右回しすることで4kΩ(?)ずつ変わっていきます。
※?になっているのは可変抵抗の型番を調べても詳細なデータシートが無かったのでこのサイズの通例の有効回転数25回転と見積もっています。
抵抗値は「104」表記でしたので10×10^4=100kΩで間違いないと思います。

マイナスドライバーを用意して右回し(時計回り_CW)して出力電圧を上げていきます。ここで注意したいのは電圧の上り方が線形では無いことです。
カラクリは次回説明しますが、しばらくは何回転してもとあるタイミングの一回転で一気に5V⇒12V/24Vに変化します。適度に電圧確認しながら調整することをおすすめします

次の最後の章で出力電圧をテスターで測定しながら12V/24Vに設定していきます。
可変抵抗を調整して出力電圧を12V/24Vに設定する
では未設定時(梱包状態から可変抵抗のツマミを触っていない)状態から電圧値を確認します。
※今回の例はあくまで筆者のモジュールのN=1の結果であって同類のモジュールでも違った結果になる恐れがあるので参考扱いでお願いします
(1)可変抵抗ツマミ_右回転_0~3回転程度
出力電圧値=約4V~約5V でした。
0回転~3回転の間は電圧値がほとんど変わりませんでした。

参考までに「VOUT+」~可変抵抗の2ピン(調整値)はこの0~3回転は
約80kΩから約90kΩでした。抵抗値と出力電圧の関係も次回説明予定です。


ちなみに当然ながら「VOUT+」~可変抵抗の1ピンは0Ωです。

モジュールのイメージ図でいうと赤箇所の直通している抵抗値を測定しているので当然の結果ですね

(2)可変抵抗ツマミ_右回転_4回転程度(このあたりから電圧値が急に変化してきます)
出力電圧値=約12V でした。

参考までにこの時の「VOUT+」~可変抵抗の2ピン(調整値)は95.5kΩでした。

(3)可変抵抗ツマミ_右回転_4回転半程度
出力電圧値=約24V でした。

上記は②「単3乾電池×3本(約4.5V)」の入力電圧条件で行っていますが
①「スマホの充電器のMicroUSB(5V)」の入力電圧でも24Vです。

参考までにこの時の「VOUT+」~可変抵抗の2ピン(調整値)は98.1kΩでした。
これでDC12V/DC24Vが無事に作れました。
可変抵抗を調整してDC24Vを作った実際の動画が下記となります。
大分説明が長くなっていしまいましたが実際にやることは「(スマホの)電源を持ってきて」「モジュールにコネクタ挿して」「可変抵抗の調整」をするだけです。非常に簡単です。
今日はここまでにしたいと思います。どうもありがとうございました。
次回はこのDCDCモジュールの詳細や、可変抵抗と出力電圧の関係について説明しています。リンク先はこちらから。













コメント